Physics Alternating Current
Get insights from 90 questions on Physics Alternating Current, answered by students, alumni, and experts. You may also ask and answer any question you like about Physics Alternating Current
Follow Ask QuestionQuestions
Discussions
Active Users
Followers
New question posted
3 months agoNew answer posted
3 months agoContributor-Level 7
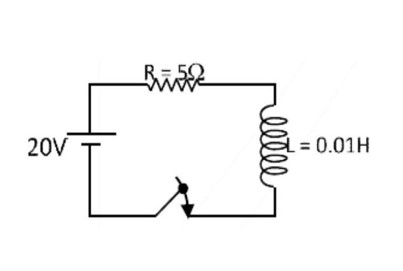
The current lags the voltage by an angle of 90 Degree (? /2 radians). This is due to the inductor opposing the change in current.
New answer posted
3 months agoContributor-Level 7
The inductor generates induced electromotive force (EMF) and opposes the changes in the current flow. Due to this the current lag the voltage by 90 degrees.
New answer posted
3 months agoContributor-Level 10
Another capacitor should be added in series with the first capacitor.
Taking an Exam? Selecting a College?
Get authentic answers from experts, students and alumni that you won't find anywhere else
Sign Up on ShikshaOn Shiksha, get access to
- 65k Colleges
- 1.2k Exams
- 679k Reviews
- 1800k Answers




