Semiconductor Electronics
Get insights from 57 questions on Semiconductor Electronics, answered by students, alumni, and experts. You may also ask and answer any question you like about Semiconductor Electronics
Follow Ask QuestionQuestions
Discussions
Active Users
Followers
New answer posted
5 months agoContributor-Level 10
This is a Multiple Choice Questions as classified in NCERT Exemplar
Answer- c
Explanation- due to forward biasing the diffusion current in the circuit is very high and resistance in the circuit is very low. Thus voltage across pn junction is very low but in case of reverse biasing diffusion current very small so resistance becomes very high . and that end making high voltage across pn junction.
New answer posted
5 months agoContributor-Level 10
This is a Multiple Choice Questions as classified in NCERT Exemplar
Answer-b
Explanation -when a neutral entity is there it contains both equal number of elctron and holes. Also when electron emit from neutral entity then it leave behind a vacancy that is hole.
New answer posted
5 months agoContributor-Level 10
This is a Multiple Choice Questions as classified in NCERT Exemplar
Answer- (d)
Explanation- when we increase temperature conductivity increases because number density is increasing after increasing temperature which decreases the relaxation time
New question posted
5 months agoNew answer posted
5 months agoContributor-Level 10
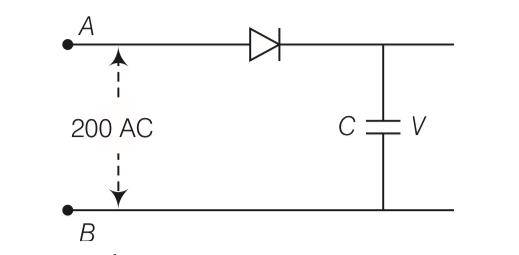
This is a Multiple Choice Questions as classified in NCERT Exemplar
Answer- d
Explanation- as we know that Ev = Eo/ so E0= Ev so net voltage is 220 V
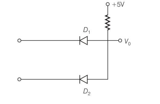
New answer posted
5 months agoContributor-Level 10
This is a Multiple Choice Questions as classified in NCERT Exemplar
Answer-b
Explanation- from the figure we can say that diode D1 is reverse biased and diode D2 is forward biased so current will flow from B to A.
New answer posted
5 months agoContributor-Level 10
This is a Multiple Choice Questions as classified in NCERT Exemplar
Explanation - When p-n junction is forward biased, it opposes the potential barrier junction, when p-n junction is reverse biased, it supports the potential barrier junction, resulting increase in potential barrier across the junction.
New answer posted
5 months agoContributor-Level 10
This is a Multiple Choice Questions as classified in NCERT Exemplar
Answer- (d)
Explanation- when we increase temperature conductivity increases because number density is increasing after increasing temperature which decreases the relaxation time
New answer posted
5 months agoContributor-Level 10
This is a Short Answer Type Questions as classified in NCERT Exemplar
Explanation- power = 1W
Zener breakdown voltage = 5V
Minimum voltage = 3V
Maximum voltage = 7V
Current = power/voltage= 1/5=0.2A
The value of R for safe operation would be R = max voltage – Zener voltage/current
= 7- 5/0.2 = 2/0.2 = 10ohm
New answer posted
5 months agoContributor-Level 10
This is a Short Answer Type Questions as classified in NCERT Exemplar
Explanation- this is AND GATE so truth table for this will be
A | B | A.B |
0 | 0 | |
0 | 1 | 0 |
1 | 0 | 1 |
1 | 1 |
Taking an Exam? Selecting a College?
Get authentic answers from experts, students and alumni that you won't find anywhere else
Sign Up on ShikshaOn Shiksha, get access to
- 65k Colleges
- 1.2k Exams
- 679k Reviews
- 1800k Answers






