Semiconductor Electronics
Get insights from 56 questions on Semiconductor Electronics, answered by students, alumni, and experts. You may also ask and answer any question you like about Semiconductor Electronics
Follow Ask QuestionQuestions
Discussions
Active Users
Followers
New answer posted
9 months agoContributor-Level 10
This is a Short Answer Type Questions as classified in NCERT Exemplar
Explanation- The size of the dopant atom should be such that their presence in the pure semiconductor does not distort the semiconductor but easily contribute the charge carriers on forming covalent bonds with Si or Ge atoms, which are provided by group XIII or group XV elements.
New answer posted
9 months agoContributor-Level 10
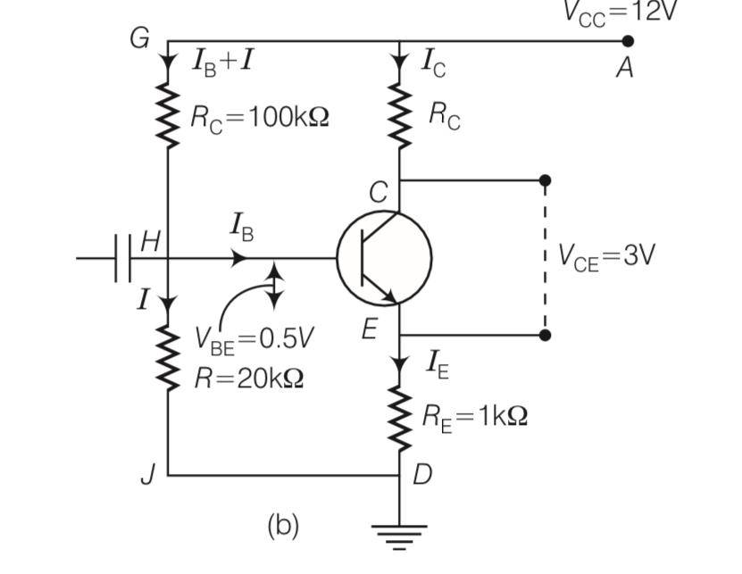
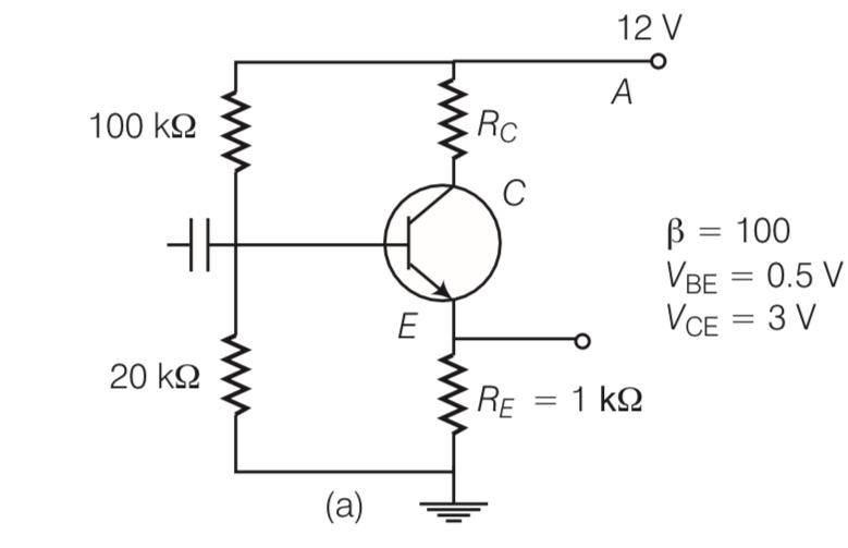
This is a Long Answer Type Questions as classified in NCERT Exemplar
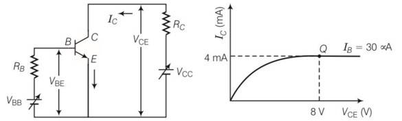
Explanation- IE=IC+IB and Ic=
IcRc+VCE+IERE=VCC
RIB+VBE+IERE=Vcc
IE=Ic=

From above equation
(R+ E)IB=VCC-VBE
IB=
( )=
( )=1.56
Rc=1.56-1=0.56kohm
New answer posted
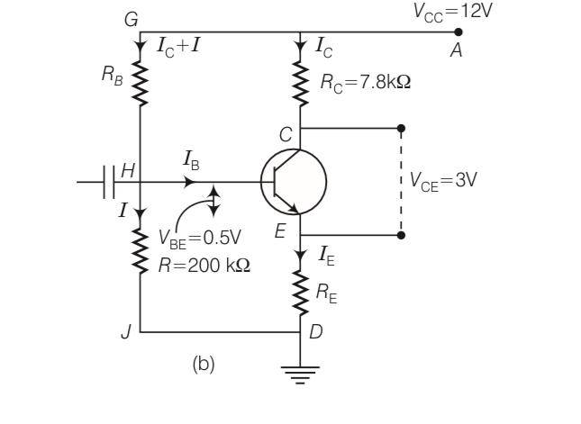
9 months agoContributor-Level 10
This is a Long Answer Type Questions as classified in NCERT Exemplar
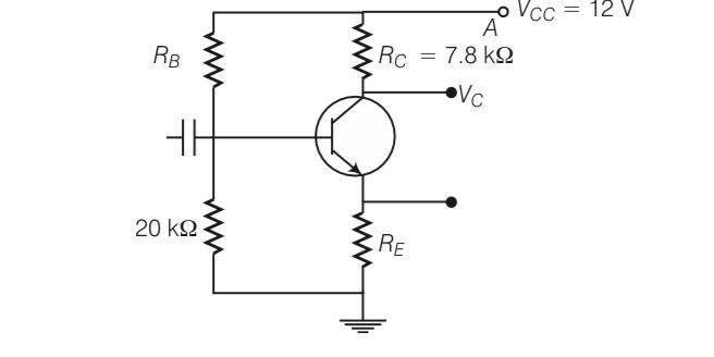
Explanation-Ic= IE
Rc= 7.8Kohm
Ic (Rc+RE)+VCE= 12
(RE+RC)
RE+RC= 9
RE= 9-7.3= 1.2kohm
VE= IE RE
= 1
Voltage VB=VE+VBE= 1.2+0.5= 1.7V
I=
Resistance RB=

New answer posted
9 months agoContributor-Level 10
This is a Long Answer Type Questions as classified in NCERT Exemplar
Explanation- a) In V- graph of condition (i), a reverse characteristics is shown in fig. (c). Here A is connected to n - side of p-n junction and B is connected to p -side of p-n junction I with a resistance in series.
(b) In V- graph of condition (ii), a forward characteristics is shown in fig. (d), where 0.7 V is
the knee voltage of p-n junction I 1/slope= (1/1000)? It means A is connected to n -side of p n- junction and B is connected to p-side of p n- junction and resistance R is in series of p n- junction between A and B.
(c) In V- graph of condition (iii), a
New answer posted
9 months agoContributor-Level 10
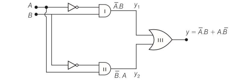
This is a Long Answer Type Questions as classified in NCERT Exemplar
Y= A'B+A.B'=Y1+Y2
Y1= A.B and Y2= A.B'
Y1 can be obtained as output of AND GATE I for which one Input is of A through NOT GATE and
another input is of B. Y2 can be obtained as output of AND GATE II for which one input is of A
and other input is of B through NOT gate.
Now Y2 can be obtained as output from or gate, where, Y1 and Y2 are input of or gate.
Thus, the given table can be obtained from the logic circuit given below

New answer posted
9 months agoContributor-Level 10
This is a Long Answer Type Questions as classified in NCERT Exemplar
whem As is used then it will create n type semiconductor
Ne=ND=
Number of minority carriers nh= = 0.45
But when B is implanted in Si crystal then p type semiconductor is formed
Nh=NA=
Minority carriers created in p type is
Ne=
Minority charge carriers holes in p type would contribute more in reverse saturatiom current.
New answer posted
9 months agoContributor-Level 10
This is a Long Answer Type Questions as classified in NCERT Exemplar

New answer posted
9 months agoContributor-Level 10
This is a Long Answer Type Questions as classified in NCERT Exemplar
Explanation- When the input voltage is equal to or less than 5 V, diode will be revers biased. It will offer high resistance in comparison to resistance ( ) R in series. Now, diode appears in open circuit. The input waveform is then passed to the output terminals. The result with sin wave input is to dip off all positive going portion above 5 V.
If input voltage is more than + 5 V, diode will be conducting as if forward biased offering low resistance in comparison to R. But there will be no voltage in output beyond 5 V as the
voltagebeyond+5Vwillappearacross R.
When
New answer posted
9 months agoContributor-Level 10
This is a Long Answer Type Questions as classified in NCERT Exemplar

A B | C D | E F | G | H | I | C1 |
0 0 | 0 0 | 1 1 | 1 | 0 | 0 | 1 |
1 0 | 1 0 | 0 1 | 0 | 1 | 1 | 0 |
0 1 | 0 1 | 1 0 | 0 | 1 | 1 | 0 |
1 1 | 1 1 | 0 0 | 0 | 1 | 1 | 0 |

A B | C D | E F | G | C2 |
0 0 | 0 0 | 1 1 | 1 | 0 |
1 0 | 1 0 | 0 1 | 1 | 0 |
0 1 | 0 1 | 1 0 | 1 | 0 |
1 1 | 1 1 | 0 0 | 0 | 1 |

New answer posted
9 months agoContributor-Level 10
This is a Long Answer Type Questions as classified in NCERT Exemplar
Explanation- voltage across RB= 10V
Resistance RB= 400kohm
VBE= 0, VCE= 0, Rc=3kohm
IB= voltage /RB= 10/400 103= 25 10-6A
Voltage across Rc= 10V
Ic=voltage/Rc= 10/3 103= 3.33 10-3
Taking an Exam? Selecting a College?
Get authentic answers from experts, students and alumni that you won't find anywhere else
Sign Up on ShikshaOn Shiksha, get access to
- 66k Colleges
- 1.2k Exams
- 687k Reviews
- 1800k Answers












