Overview
Get insights from 150 questions on Overview, answered by students, alumni, and experts. You may also ask and answer any question you like about Overview
Follow Ask QuestionQuestions
Discussions
Active Users
Followers
New answer posted
6 months agoContributor-Level 10
R = R? [1 + α? T]
⇒ 16 = R? [1 + α (15 - T? )]
20 = R? [1 + α (100 - T? )]
Assuming T? = 0°C:
16 = R? (1 + 15α)
20 = R? (1 + 100α)
Dividing the equations:
16/20 = (1+15α)/ (1+100α)
16 + 1600α = 20 + 300α
1300α = 4
α = 4/1300 ≈ 0.003 °C? ¹
New answer posted
6 months agoContributor-Level 10
When T? & T? are connected, at steady state current, I becomes
I = 6V/6Ω = 1A
Now when T? & T? are connected, the current through the inductor, just after connecting, remains same. So
V? Ω = 1A * 3Ω = 3volt.
New answer posted
6 months agoContributor-Level 9
Given: Power in R_B = 200 W, R_B = 50 Ω, V_source = 200 V
I² R_B = 200
I² (50) = 200
I² = 4 ⇒ I = 2A
Also, I = V_source / (R + R_B)
2 = 200 / (R + 50)
2 (R + 50) = 200
R + 50 = 100
R = 50Ω
New answer posted
6 months agoContributor-Level 10
i = constant
v ∝ E & E ∝ 1/r² So, E increases with decrease in the radius.
also v ∝ E
So, drift speed increases.
New answer posted
6 months agoContributor-Level 10
Each side of the square has a resistance of 16/4 = 4Ω.
The side AC has the 9V, 1Ω source.
The other three sides (AB, BD, DC) form a path with resistance 4+4+4 = 12Ω.
This is in parallel with the side AC (4Ω).
Total resistance of the loop part: (12*4)/ (12+4) = 48/16 = 3Ω.
Total resistance of the circuit: R_total = 3Ω + 1Ω (internal) = 4Ω.
Total current from source I = V/R_total = 9/4 A.
This current splits.
Current through path ABDC, I? = I * (R_AC / (R_ABDC + R_AC) = (9/4) * (4/16) = 9/16 A.
Potential at B: V_B = V_A - I? R_AB = 9 - (9/16)*4 = 9 - 9/4 = 27/4 V.
Potential at D: V_D = V_C + I? R_CD = 0 + (9/16)*4 = 9/4 V.
Potential drop a
New answer posted
6 months agoContributor-Level 10
Applying nodal analysis at point X with potential xV:
(x-20)/5 + (x-0)/2 + (x-20)/5 = 0
2 (x-20) + 5x + 2 (x-20) = 0
9x - 80 = 0 => x = 80/9 V
Potential drop across 2Ω resistor = x = 80/9 V.
(Note: There seems to be a discrepancy in the provided solution and standard circuit analysis. The provided solution calculates the current junction, not a single point.)
The solution provided in the image calculates as:
(x-0)/5 + (x-20)/5 + (x-20)/2 = 0
2x + 2 (x-20) + 5 (x-20) = 0
9x - 140 = 0
=> x = 140/9 V
Potential drop across 2Ω = 20 - x = 20 - 140/9 = 40/9 V
New answer posted
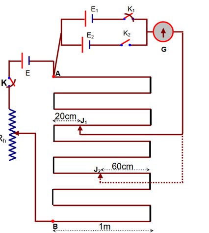
6 months agoContributor-Level 10
ε? = 250 * Potential Gradient
ε? + ε? = 400 * Potential Gradient
(ε? )/ (ε? + ε? ) = 250/400 = 5/8
By solving above
ε? /ε? = 5/3
New answer posted
6 months agoContributor-Level 10
Potential difference across 2k
Taking an Exam? Selecting a College?
Get authentic answers from experts, students and alumni that you won't find anywhere else
Sign Up on ShikshaOn Shiksha, get access to
- 66k Colleges
- 1.2k Exams
- 686k Reviews
- 1800k Answers








