Overview
Get insights from 150 questions on Overview, answered by students, alumni, and experts. You may also ask and answer any question you like about Overview
Follow Ask QuestionQuestions
Discussions
Active Users
Followers
New answer posted
5 months agoContributor-Level 10
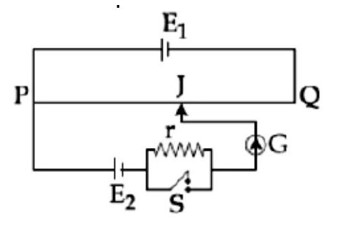
↑? (1) ε = 3
(2) ε – Ir = 2.5 V
⇒ Ir = 0.5
Now, IR = 2.5
⇒ R/r = 5.
⇒ PR/Pr = I²R/I²r = R/r = 5
⇒ Pr = 0.5/5 = 0.1
New answer posted
5 months agoContributor-Level 10
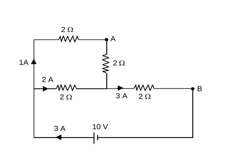
V_AB = 2Ω (1A) + 2Ω (3A) = 8V.

New answer posted
5 months agoContributor-Level 10
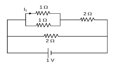
V_PQ * (49/100). 1.02 = V_PQ * 0.49. V_PQ ≈ 2.08V.
Potential gradient = 2.08V/100cm = 0.0208 V/cm.
Taking an Exam? Selecting a College?
Get authentic answers from experts, students and alumni that you won't find anywhere else
Sign Up on ShikshaOn Shiksha, get access to
- 66k Colleges
- 1.2k Exams
- 686k Reviews
- 1800k Answers





