Alternating Current
Get insights from 94 questions on Alternating Current, answered by students, alumni, and experts. You may also ask and answer any question you like about Alternating Current
Follow Ask QuestionQuestions
Discussions
Active Users
Followers
New answer posted
7 months agoContributor-Level 10
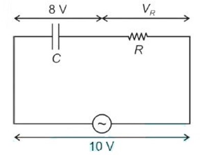
Since current is in phase with voltage, it means circuit is in resonance, so we can write
f =
Taking an Exam? Selecting a College?
Get authentic answers from experts, students and alumni that you won't find anywhere else
Sign Up on ShikshaOn Shiksha, get access to
- 66k Colleges
- 1.2k Exams
- 690k Reviews
- 1850k Answers












