physics ncert solutions class 11th
Get insights from 951 questions on physics ncert solutions class 11th, answered by students, alumni, and experts. You may also ask and answer any question you like about physics ncert solutions class 11th
Follow Ask QuestionQuestions
Discussions
Active Users
Followers
New answer posted
10 months agoContributor-Level 10
This is a long answer type question as classified in NCERT Exemplar
Consider an element of width dr at r
Let T(r) and T(r+dr) be the tensions at r+dr respectively
So net centrifugal force = w2rdm
= w2r
T(r)-T(r+dr)= w2rdr
-dT= w2rdr
-
T(r)=

Let the increase in length of the element dr be
So Young's modulus Y= stress/strain=
(l2-r2)
Change in length in right part =
=
Total change in length =
New answer posted
10 months agoContributor-Level 10
Answer-c
Explanation-The gravitational force between sun and earth follows inverse square law. Due to relative motion between earth and mercury, the orbit of mercury observed from the earth will not be approximately circular since the major gravitational force on mercury is due to the sun.
New answer posted
10 months agoContributor-Level 10
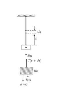
This is a long answer type question as classified in NCERT Exemplar
When a small element of length dx is considered at x from the load x=0
(a) letT(x) and T(x+dx) are tensions on the two cross sections a distance dx apart then
T(x+dx)+T(x)=dmg= dxg
dT= gx+C
at x=0 T(0)=mg
C=mg
T(x)= gx+Mg
Let length dx at x increases by dr then

Young's modulus Y= stress/strain
r=
= 0L
r=
so r = 4
(b) tension will be maximum at x=L
T= +Mg=(m+M)g
The force = (yield strength) area=
(m+M)g= 250
Mg
M= 25
New answer posted
10 months agoContributor-Level 10
This is a Multiple Choice Questions as classified in NCERT Exemplar
Answer-d
Explanation- We treated that the mass of earth is at centre . in this case a=g=0 at centre but if earth is not uniform then value of g is different at different point.
New answer posted
10 months agoContributor-Level 10
This is a long answer type question as classified in NCERT Exemplar
Let the cross sectional area A . consider the equilibrium of the plane aa'. A force F must be acting on this plane making an angle of with the normal ON. Resolving F into components along the plane (FP) and normal to the plane.
By resolving into components

We get Fp= Fcos
And FN= Fsin
Let area of the face aa' be A' then
A/A'=sin so A=A'sin
The tensile stress = normal force/area=Fsin
= sin2
Shearing stress = parallel foce/Area
=
a) For stress to be maximum , sin2 =1
So =
b) Shearing stress to be maximum
sin2
So =
New answer posted
10 months agoContributor-Level 10
This is a Short Answer Type Questions as classified in NCERT Exemplar
Explanation- Gravitational force at h height F =
When mass is displaced upto distance 2h then
F'=
=
When h = r then F=
So F =
F'=
F' =
New answer posted
10 months agoContributor-Level 10
This is a Short Answer Type Questions as classified in NCERT Exemplar
Explanation-potential energy of the objects at the surface of the earth is =-

PE of the object at a height equal to radius of earth =
Gain in potential energy = - (- )=
= (GM=gR2)
New answer posted
10 months agoContributor-Level 10
This is a Short Answer Type Questions as classified in NCERT Exemplar
Explanation-The trajectory of a particle under gravitational force of the earth will be in conic section with the centre of the earth as a focus. Only c meets this requirements
New answer posted
10 months agoContributor-Level 10
This is a Short Answer Type Questions as classified in NCERT Exemplar
Explanation- Orbital speed of the satellite vo=

KE of the satellite of mass m, Ek = 1/2mvo2= Gmm/2R
So kinetic energy is inversely proportional to distance.
b)potential energy of a satellite Ep=-GMm/R
so it is also inversely proportional to R
c)total energy of the satellite E=Ek+Ep = = -
New answer posted
10 months agoContributor-Level 10
This is a Short Answer Type Questions as classified in NCERT Exemplar
Explanation- Let M be the mass and R be the radius of sphere . an object of mass m be placed at the mid point P of the line joining their centres

Force F1=F2=GMm/ (5R)2
If we displace it through x distance
New force towards sphere A, F1'= GMm/ (5R-x)2
Sphere B F2' = GMm/ (5R+x)2
As F1'>F2' therefore a resultant force (F1'-F2') acts on the objects towards sphere A therefore objects start to move towards A hence equilibrium is unstable.
Taking an Exam? Selecting a College?
Get authentic answers from experts, students and alumni that you won't find anywhere else
Sign Up on ShikshaOn Shiksha, get access to
- 66k Colleges
- 1.2k Exams
- 687k Reviews
- 1800k Answers




